Le forum Audiovintage est privé.
En tant qu'invité, vous avez accès à certaines rubriques uniquement, l'ajout de nouveaux membres n'est pas possible pour le moment.

Pourquoi personne ne parle des amplis 300B ?

Fabrication maison, à base de jus de passion.
Répondre
Avatar du membre
tboll
Membre honoraire
Messages : 168
Enregistré le : mar. 26 juin 2012 21:35
Localisation : Chartreuse

Re: Pourquoi personne ne parle des amplis 300B ?

Message par tboll »

Bonjour L'ours

J'ai regardé ces liens. Il y a un maximum d'informations. Je crois que je vais trouver mes réponses ou en tout cas de bonnes pistes pour éviter les grosses erreurs du débutant.
l ours a écrit :Au pays des condos il y a des furieux qui passent leur temps à les comparer soit en liaison,alim ou filtrage HPs:

voici trois liens:
http://www.laventure.net/tourist/caps.htm

http://www.humblehomemadehifi.com/Cap.html

http://jimmyauw.com/2009/08/18/extreme- ... d-session/


l ours

Merci encore

Thierry
VOT- parois sablées -HP 416-8B GPA Altec Lansing Alnico -98 dB-Pavillon Iwata-sablé, ALTEC 909-8A & Tweeter Foster T925-CD Marantz 6002, préamplificateur 76 & 6SN7-Berman (Sound Practices)-blocs 300B- schéma-Audiophile - 845 en phase de test
Avatar du membre
tboll
Membre honoraire
Messages : 168
Enregistré le : mar. 26 juin 2012 21:35
Localisation : Chartreuse

Re: Pourquoi personne ne parle des amplis 300B ?

Message par tboll »

Bonjour à tous

Ça fait un petit moment, que je n'ai pas posté sur ce forum. Mon système n'a que peu évolué ces derniers temps.

Cela dit j'ai une très bonne nouvelle pour les amateurs d'ampli 300B.

J'ai acheté sur E.Bay des tubes russes 10J12S qui sont effectivement totalement compatibles avec la 310A. Je suis en train de me faire une écoute comparative avec des vraies Western Electrique.
Je vous rappelle que je m’inquiétais car mes WE commençaient sans doute à vieillir et que le prix pour une paire sur le marché est d'environ 550 à 600 euros avec le transport.

Le prix des 10J12S venant d'Ukraine reste correct environ 70 euros avec le transport.
la référence :pair 10J12S SVETLANA 1977 same codes NOS (221192580907)

Voilà maintenant, mes impressions suite à mes première écoutes, elles sont bien sûr complètement subjectives.

Un petit point rassurant d'abord, le vendeur est très "pro" (electrikua ( 1749 ) sur E.Bay), il a accepté un changement d'adresse au dernier moment et les délais de livraison était au total de moins d'une semaine.

Etat des lampes est impeccable, elles ont vraiment l'air neuves et a priori elles n'ont jamais été utilisé (même si évidement je n'ai pas de preuve tangible).

Je ne suis pas capable de me faire une écoute en double aveugle puisque je suis tout seul..., mais s'il y a une différence entre ces 10J12S SVETLANA et mes WE pour l'instant je ne suis pas sûr que les WE soient meilleures.

Je m'explique sur cette dernière remarque pas très claire (même pour moi).

Premier point que j'ai vérifié avant l'écoute, est-ce qu'elles seraient "microphoniques". J'ai déjà eu assez de déboires avec de vieux tubes achetés sur E.Bay.
J'ai mis mes ampli en chauffe sans source. Etant un vrai nul en électronique, j'ai toujours une petite ronflette qui sort de mes HP (rien de catastrophique mais quand même...). Là pas de miracle, j'ai toujours cette ronflette mais pas plus qu'avec les WE. Les tubes n'ont donc pas ce défaut a priori.

Maintenant, passons à l'écoute, je rappelle cependant pour être précis que mes WE ont maintenant 7 à 8 ans au moins et que 10J12S SVETLANA sont en principe neuves, donc elles ne sont pas absolument comparables.

Le grave, aucun problème avec un léger avantage au 10J12S SVETLANA, je ne cherche pas l'infra grave avec mes VOT mais je suis déjà rassuré sur ce point.Il n'est pas plus rond que d'habitude, il a peut être même un peu plus de présence voire de tenue.

Le médium, la même remarque s'impose, je préfère même les 10J12S SVETLANA. Il y a un peu plus détails et aucune agressivité. C'est surtout c'est bien le même type de son que les WE (pas de mauvaise surprise non plus).

L'aigu, ça semble monter un petit moins haut mais ça ne modifie pas l'équilibre général. Cela dit je ne suis pas certain que je ferai réellement la différence en aveugle. Si nécessaire, une petite modification du filtre arrangera ça, je verrai avec les écoutes. Il est peut être u peu plus rond...

La dynamique, avantage très net aux 10J12S SVETLANA, c'est peut être un effet de leur moindre utilisation puisqu'elles sont censées être neuves. Pour le coup, ce surplus de dynamique m'arrange bien, mon 300B était peut être un peu poussif dans ce domaine.

L'image, largeur et profondeur, pareil, je préfère les 10J12S SVETLANA. L'image s'étend sur toute la largeur des VOT avec les ailes. Je n'ai jamais eu une profondeur extra-ordinaire mais avec ces nouveaux tubes, ça va aussi bien.

La précision de l'image et sa focalisation, je n'observe pas de différence réelles, ça marche bien. Pas de différences entre WE et 10J12S SVETLANA.

Puissance, là je suis quasi certain que les WE ont l'avantage, je suis obligé de tourner le potar du pré-ampli d'un à deux crans de plus. Je n'ai pas d'explication.

La séparation des instruments et/ou des voix, aucun problème avec ces tubes, le message musical est clair et précis.


Autres remarques en vrac, la musique est vivante, les voix sont belles et naturelles, la contrebasse paraît bien localisée et dynamique, les instruments semblent sonner juste, l'ambiance sonore est bonne, la musique est très bien articulée, etc.

Si je me résume, je suis super content (faut dire que j'avais la trouille d'avoir des pseudo 310A au rabais), je vais les laisser en place pour le moment et continuer mes écoutes. Je vais même attendre ma paye et en recommander une voire deux paires.
Elles n'ont aucun défaut rédhibitoire et elles ont même de bons avantages.


Je vais être honnête jusqu'au bout, il y a juste un petit problème. Le petit téton au sommet du tube doit avoir un diamètre très légèrement inférieur et le contact initialement ce fait moins bien. J'ai utilisé un petit bout de tresse à souder pour caler la lamelle qui fait ressort sur le capuchon, et pour l'instant ça marche.

Si quelqu'un veut tenter l'essai, à mon avis, le risque est vraiment minime sauf si je suis tombé sur une paire hors norme.
Je pense que si l'on pouvait faire un vrai test en double aveugle, l'avantage serait peut être m^me aux 10J12S SVETLANA.
Globalement, la musicalité de mon ampli (schéma de l'Audiophile) n'a pas changé, c'est toujours le même son, etc.

Maintenant, bien sûr, ce qui est vrai sur mon modeste système peut ne pas être aussi tangible sur un système plus évolué. Si j'ai l'occasion de faire un vrai test en aveugle, je vous ferai un CR détaillé.

Pour en finir, le rapport qualité/prix est très nettement en faveur des SVETLANA, on a le son des WE pour un prix ridicule.

J'espère qu'elles ne vont pas me lâcher dans deux mois...

Thierry
VOT- parois sablées -HP 416-8B GPA Altec Lansing Alnico -98 dB-Pavillon Iwata-sablé, ALTEC 909-8A & Tweeter Foster T925-CD Marantz 6002, préamplificateur 76 & 6SN7-Berman (Sound Practices)-blocs 300B- schéma-Audiophile - 845 en phase de test
Klemp

Re: Pourquoi personne ne parle des amplis 300B ?

Message par Klemp »

Bonjour Thierry .... :helloman:

Tu ne nous as pas dit quelle modéle de 300B tu utilises ..? :)
Avatar du membre
tboll
Membre honoraire
Messages : 168
Enregistré le : mar. 26 juin 2012 21:35
Localisation : Chartreuse

Re: Pourquoi personne ne parle des amplis 300B ?

Message par tboll »

Bonjour

Je tourne avec depuis presque 15 ans avec une paire de 300B AudioNote.

D'après ce que j'ai lu ce ne sont pas les meilleures mais elles ne sont pas mauvaises du tout.
Elles sont sans doute sur leur fin de vie, hélas.

Au fait, je ne sais pas si les tubes ont une période de chauffage ou de rodage mais après avoir fait une pause déjeuner en éteignant mes amplis, le manque d'aigu noté ce matin me semble nettement moins marqué.

J'ai testé aussi une paire de Full Music (chinoise) sans intérêt.

Thierry
VOT- parois sablées -HP 416-8B GPA Altec Lansing Alnico -98 dB-Pavillon Iwata-sablé, ALTEC 909-8A & Tweeter Foster T925-CD Marantz 6002, préamplificateur 76 & 6SN7-Berman (Sound Practices)-blocs 300B- schéma-Audiophile - 845 en phase de test
Avatar du membre
tboll
Membre honoraire
Messages : 168
Enregistré le : mar. 26 juin 2012 21:35
Localisation : Chartreuse

Re: Pourquoi personne ne parle des amplis 300B ?

Message par tboll »

Bonjour, encore moi.

J'ai oublié de remercier notamment Rinaldo ainsi que certains autres membres de ce forum qui m'ont aiguillé vers la piste des 10J12S russes.

Thierry
VOT- parois sablées -HP 416-8B GPA Altec Lansing Alnico -98 dB-Pavillon Iwata-sablé, ALTEC 909-8A & Tweeter Foster T925-CD Marantz 6002, préamplificateur 76 & 6SN7-Berman (Sound Practices)-blocs 300B- schéma-Audiophile - 845 en phase de test
Avatar du membre
tboll
Membre honoraire
Messages : 168
Enregistré le : mar. 26 juin 2012 21:35
Localisation : Chartreuse

Re: Pourquoi personne ne parle des amplis 300B ?

Message par tboll »

Bonjour à tous

Je viens de tester une nouvelles paires de 300B-C avec une dissipassions plaque de 60 watt.
Je vous livre un petit CR que je fais en comparaison avec mes vieilles 300B AudioNote (donc forcément plus usées).

Pour faire simple, elles pallient les inconvénients des triodes et probablement des 300B. Elles descendent a priori plus bas, le grave est nettement plus tendu, mieux tenu et dynamique. Les premières heures d'écoute, j'étais bien sûr impressionné par ce grave qui manquait chez moi mais aussi un peu déçu par un médium-aigu moins beau, moins brillant qu'avec les 300B AudioNote. Au fil des heures, comme si les tubes se rôdaient, le médium-aigu s'est affiné. On monte peut être un peu moins haut dans l'aigu, je vais peut être revoir un peu mon filtre d'enceinte. Après plusieurs dizaines d'heures d'écoute, le grave est toujours aussi présent et le médium est vraiment très agréable et les voix par exemple très naturelles, idem pour les cuivres.

Je suis évidement très satisfait, surtout qu’apparemment il serait possible de modifier légèrement le schéma de mes 300B (schéma de l'Audiophile) pour passer de 6 à une dizaine voire quinzaine de watt, ce qui devrait dynamiser encore un peu le registre de grave.

Dernier point, j'ai retesté mes 300B Audionote, je ne les remettrais pas en place, elles serviront en cas de panne. Vraiment pour finir, en plus, ces 300B-C ne sont vraiement pas chères pour des 300B (200 euros la paire environ).


Thierry
VOT- parois sablées -HP 416-8B GPA Altec Lansing Alnico -98 dB-Pavillon Iwata-sablé, ALTEC 909-8A & Tweeter Foster T925-CD Marantz 6002, préamplificateur 76 & 6SN7-Berman (Sound Practices)-blocs 300B- schéma-Audiophile - 845 en phase de test
6336A

Re: Pourquoi personne ne parle des amplis 300B ?

Message par 6336A »

Je vais peut-être mettre un pavé dans la marre, mais la 300B considérée comme la reine des triodes ne l'est pas pour moi. Il existe des tubes ou des montages avec des tubes encore plus linéaires que la 300B.
La 845, la PX4 et surtout l'AD1 vont encore plus loin en simple étage. La 6C33C, 6336A, 6AS7G, 6080 bien utilisées le peuvent également en push pull.

Le problème de ce genre de triodes en single end est simple. Pas de grave en utilisation large bande. Un 8W le monstre est sans comparaison dans cette plage de fréquences, ce qui prouve que ce n'est pas une question de puissance, mais de structure.
Il est impossible de faire du grave en monotriode. Le transfo de sortie ne veut pas. On pourrait rentrer dans les détails à ce niveau et en discuter longuement, là aussi c'est une question de compromis.
L'avantage des circuits utilisant la 300B ou autres triodes à grande linéarité est la possibilité de se passer de la boucle de contre réaction globale... immédiatement, le son parait beaucoup plus ouvert, beaucoup plus dynamique. Les attaques sont plus franches, totalement dégraissées, un voile a été enlevé devant les enceintes. Sur des pavillons, ou des hp haut rendement, elles sont insurpassables.
Pour ceux qui connaissent un peu l'électronique, essayez de construire un ampli à totors sans boucle de contre réaction, et écoutez. Mis à part certaines exceptions, vous vous en irez en courant, en vous bouchant les oreilles.
L'autre problème est le prix : Les 300B western electric et cetron, les meilleures, sont pour amateurs fortunés. Victimes de l'effet de mode japonais insufflé en France par la maison de l'audiophile.
Et le dernier problème est la puissance avec des enceintes d'un rendement ordinaire, disons 88 à 90db, ayant une courbe d'impédance pas très linéaire, les résultats ne seront pas bien fameux.

On peut pourtant avec des triodes obtenir une puissance un peu plus raisonnable que les 6 à 8W d'une 300B, ou les 15 à 20W d'une 845.
Et surtout, avec du grave ! Mais il faut passer en push-pull, de préférence en charge cathodique. Les triodes peuvent faire du grave, tout en conservant leurs qualités dans le haut du spectre sur des systèmes haut rendement.

Et comme l'a dit Jean plus haut, la différence ressentie à l'écoute entre un ampli monotriode et des pentodes type EL34 est monstrueuse... sauf dans le grave, ce qui rend souvent la comparaison en large bande impossible. C'est dommage, car un bon ampli doit pouvoir s'écouter autant en multi amplification qu'en mono amplification. C'est peut être pour ça aussi que l'on ne parle pas souvent des amplis 300B. Parce que tout le monde ne peut pas se permettre d'avoir de la multi amplification chez soi...
Avatar du membre
Rinaldo
Membre honoraire
Messages : 459
Enregistré le : mar. 6 sept. 2011 14:52
Localisation : Région Lilloise

Re: Pourquoi personne ne parle des amplis 300B ?

Message par Rinaldo »

tboll a écrit :Bonjour, encore moi.

J'ai oublié de remercier notamment Rinaldo ainsi que certains autres membres de ce forum qui m'ont aiguillé vers la piste des 10J12S russes.

Thierry
:cow: Thierry,
:yes!:
Je suis en quête de composants pour refaire un ampli 300B SE sur le même schéma que celui que tu as utilisé.
Sur les GRF ça devrait vraiment très très bien marcher.
Il me manque les 300B (j'ai tout le reste) et le transfo d'alim.

A+
Modifié en dernier par Rinaldo le mer. 8 mai 2013 09:45, modifié 1 fois.
Jean-Paul
Nagra, Studer, reVox, Stellavox, Hencot, Carad, ...
Pourvu que ça tourne avec des grosses bobines
Avatar du membre
tboll
Membre honoraire
Messages : 168
Enregistré le : mar. 26 juin 2012 21:35
Localisation : Chartreuse

Re: Pourquoi personne ne parle des amplis 300B ?

Message par tboll »

Bonsoir Jean-François et Jean-Paul.

Je sais qu'a priori les 300B ne sont pas les reines des triodes dans le grave et que 6 watts même avec des VOT, ça reste très limité. Cela dit, avec ces nouvelles 300B-C on doit pouvoir monter entre 15 et 20 watts car d'après ce que j'ai compris, ces 300B-C ont une dissipation plaque de 60 watts. Toujours d'après ce que j'ai compris on doit pouvoir augmenter la tension plaque pour passer d'environ 380 volts à 450 volts.

Pour ces nouvelles 300B-C, je les ai trouvé là :
http://www.audiotriodes.com/fr/shop/bro ... 56389.html

Je vais donc tester le nouveau montage que l'on me propose. Si ça marche, je vous ferai un CR précis. Pour l'instant, j'attends mes nouveaux composants quelques condensateurs Mundorf (polypro) qui vont remplacer des chimiques dans l'alimentation. Il paraît que ces nouveaux condensateurs (à un prix abordable) apportent un gain assez important en transparence et en dynamique.

Donc, mon projet ne se limite pas seulement à avoir changé de marque de 300B, il y a aussi une modification du schéma. Cette modification, en plus du changement de vieux chimiques sans doute en bout de course, consiste essentiellement à supprimer quelques condensateurs sur l'alimentation et une self de filtrage. C'est vrai que parmi les principaux schémas de 300B disponibles (par exemple Hiraga ou Anzaï), celui de la revue de l'Audiophile est celui dont l'alimentation est la plus "musclée" en micro-farad et en self. Ayant peut être eu de mauvaises lectures dans certaines revues dites audiophiles, j'ai cru en suivant les arguments commerciaux que plus l'alimentation était sur-dimensionnée, mieux un ampli fonctionnait, du coup ce schéma de l'Audiophile me semblait être une bonne piste.
Aujourd'hui en ayant relu par exemple quelques article de Rinaldo Bassi, je me dis (sous réserve de mon incompétence en électronique) que cette alimentation abuse peut être un peu trop des micro-farad. Je ne suis pas en mesure de critiquer le schéma de Walter et ce n'est pas mon objectif mais rien n'interdit de faire l'hypothèse que l'on puisse tenter d'améliorer ce schéma.

De toute façon, je peux toujours faire un test, si ça marche, tant mieux, sinon, je fais un retour en arrière.


Je ne suis pas un pro du tout en électronique et j'espère surtout ne pas prendre trop de 400 volts dans les doigts.

Dans tous les cas, échec ou réussite, je ferai un CR le plus objectif possible... Ce qui n'est pas toujours facile pour un audiophile...

Bonne soirée

Thierry

ps : quand je serai riche,..., j'envisagerai peut être un système multi-amplifié avec des 845 ou des 211 dans le grave voire pire.
VOT- parois sablées -HP 416-8B GPA Altec Lansing Alnico -98 dB-Pavillon Iwata-sablé, ALTEC 909-8A & Tweeter Foster T925-CD Marantz 6002, préamplificateur 76 & 6SN7-Berman (Sound Practices)-blocs 300B- schéma-Audiophile - 845 en phase de test
Avatar du membre
tboll
Membre honoraire
Messages : 168
Enregistré le : mar. 26 juin 2012 21:35
Localisation : Chartreuse

Re: Pourquoi personne ne parle des amplis 300B ?

Message par tboll »

Bonjour à tous.

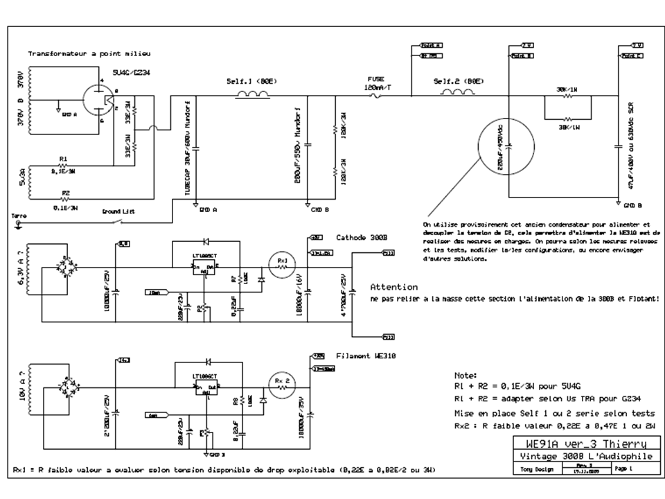
Je reconnais que ça fait trop longtemps que je ne suis pas passé sur ce forum. J'étais occupé à refaire entièrement mon 300B. Je reviens avec une assez bonne nouvelle.
J'ai remonté presque complètement mon ampli en suivant le schéma que je poste sur ce forum. Je ne suis pas le concepteur de ce schéma mais celui-ci m'a dit que je pouvais le diffuser.

Les modifications, par rapport, au schéma initial (revue de l'Audiophile), peuvent sembler mineures.
L'essentiel à consisté à remplacer les condensateurs chimiques par des polypropylènes. Certaines valeurs de condensateurs ont été aussi réduites.
Le chauffage des filaments est en continu, etc.
Je pensais que mon montage initial marchait plutôt bien, après ces modifications, je ne reconnais plus mon ampli. C'est un "avion supersonic" aujourd'hui.

Très franchement, je crois, même si je ne maîtrise pas l'électronique que ce schéma mérite d'être vu et partagé. Le seul problème, c'est que les condensateurs polypropylène prennent beaucoup plus de plus que de bon vieux chimiques. Le résultat en revanche est plus que surprenant.

Bonne soirée

Thierry

WE91A-Ver-3-Thierry (1).pdf
(68.55 Kio) Téléchargé 993 fois
WE91A-Ver-3-Thierry (1).pdf
(68.55 Kio) Téléchargé 993 fois
WE91A-Ver-3-Thierry (1).pdf
(68.55 Kio) Téléchargé 993 fois
ligne-300B.gif
ligne-300B.gif (61.81 Kio) Vu 3472 fois
schéma-alim-300B-c.gif
schéma-alim-300B-c.gif (96.84 Kio) Vu 3472 fois
WE91A-Ver-3-Thierry (1).pdf
(68.55 Kio) Téléchargé 993 fois
VOT- parois sablées -HP 416-8B GPA Altec Lansing Alnico -98 dB-Pavillon Iwata-sablé, ALTEC 909-8A & Tweeter Foster T925-CD Marantz 6002, préamplificateur 76 & 6SN7-Berman (Sound Practices)-blocs 300B- schéma-Audiophile - 845 en phase de test
Répondre
  • Sujets similaires
    Réponses
    Vues
    Dernier message