Le forum Audiovintage est privé.
En tant qu'invité, vous avez accès à certaines rubriques uniquement, l'ajout de nouveaux membres n'est pas possible pour le moment.
En tant qu'invité, vous avez accès à certaines rubriques uniquement, l'ajout de nouveaux membres n'est pas possible pour le moment.
André Radio 108
-
omniex
- Membre débutant
- Messages : 10
- Enregistré le : ven. 17 avr. 2015 07:46
- Localisation : 94 fontenay sous bois
Re: André Radio 108
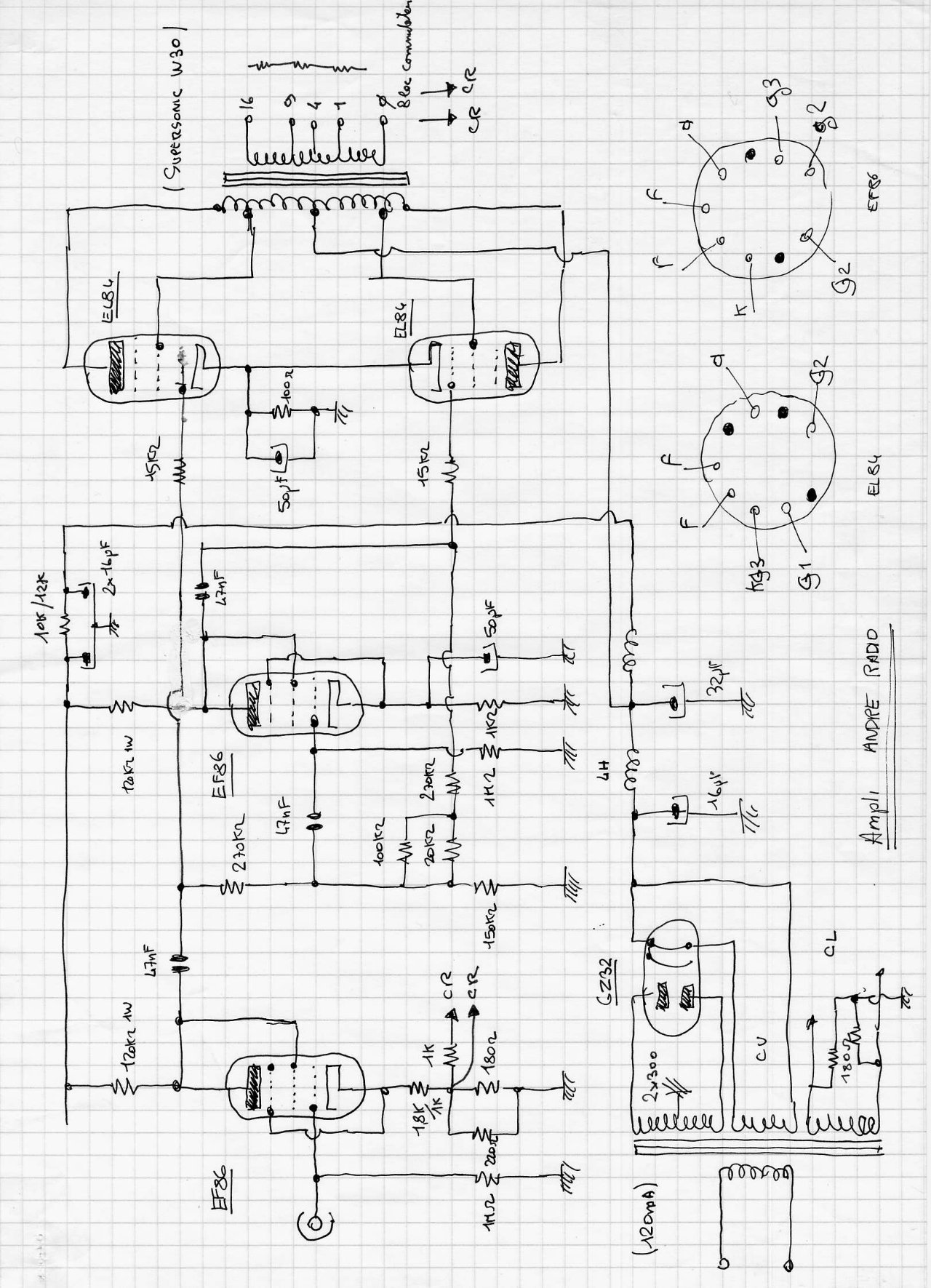
merci de tes commentaires, je vais re-vérifier le schéma dès que je peux, ainsi qu'un test d'équilibrage mais çà, çà va être plus dur pour moi..
La petite capa sur la lampe du haut sert j'imagine à contrôler une légère oscillation ou qlq chose comme çà.
Pour l'autre bizarrerie sur l'entrée de la lampe du bas, dans la revue ARTS il avait été présenté une étude sur las déphaseurs où on pouvait voir ce genre de montage, dans le cas de la polarisation par résistance en aval des lampes de puissance, si j'ai bien compris :
a vous lire
cdt
marc
La petite capa sur la lampe du haut sert j'imagine à contrôler une légère oscillation ou qlq chose comme çà.
Pour l'autre bizarrerie sur l'entrée de la lampe du bas, dans la revue ARTS il avait été présenté une étude sur las déphaseurs où on pouvait voir ce genre de montage, dans le cas de la polarisation par résistance en aval des lampes de puissance, si j'ai bien compris :
a vous lire
cdt
marc
- 6336A
- Membre no life
- Messages : 2721
- Enregistré le : mer. 27 févr. 2019 09:20
Re: André Radio 108
Il existe encore plus simple que le schéma de la 4eme configuration, c'est tout simplement celui-ci, entouré en rouge.
Rendant inutiles les 2xRg2 et surtout le condensateur de liaison supplémentaire.

Rendant inutiles les 2xRg2 et surtout le condensateur de liaison supplémentaire.
22nF directement de l'anode à la masse pour une légère oscillation ? C'est certain que là, ça ne va plus du tout osciller...La petite capa sur la lampe du haut sert j'imagine à contrôler une légère oscillation ou qlq chose comme çà
NAN !
Jean-François Robert, apprenant en électronique.
Jean-François Robert, apprenant en électronique.
-
omniex
- Membre débutant
- Messages : 10
- Enregistré le : ven. 17 avr. 2015 07:46
- Localisation : 94 fontenay sous bois
Re: André Radio 108
Bonjour, voici qlq photos de l'intérieur.
On peut voir qu'il n'y a pas de capas sur la cathode de la lampe d'entrée et on devine la petite capa entre l'anode et la masse de la lampe 2 :
voilà, c'est une fabrication plutôt propre. Mon problème est de soit le laisser dans son schéma et de juste changer les capas de liaisons (en passant de 0.022uf à 0.2 uf) et les capas de cathode par des silmic et d'alimentation (juste la capa de tête si possible (16 uf, je garde la valeur).
ou si je change le schéma vers soit un schmidt ou un cathodyne, si possible en gardant l'EF86 d'entrée et son circuit de feed back.
qu'en pensez-vous ?
CDT
MARC
On peut voir qu'il n'y a pas de capas sur la cathode de la lampe d'entrée et on devine la petite capa entre l'anode et la masse de la lampe 2 :
voilà, c'est une fabrication plutôt propre. Mon problème est de soit le laisser dans son schéma et de juste changer les capas de liaisons (en passant de 0.022uf à 0.2 uf) et les capas de cathode par des silmic et d'alimentation (juste la capa de tête si possible (16 uf, je garde la valeur).
ou si je change le schéma vers soit un schmidt ou un cathodyne, si possible en gardant l'EF86 d'entrée et son circuit de feed back.
qu'en pensez-vous ?
CDT
MARC
- 6336A
- Membre no life
- Messages : 2721
- Enregistré le : mer. 27 févr. 2019 09:20
Re: André Radio 108
Bonjour
J'en pense que le Supersonic W30 est un super transfo, le meilleur du commerce que je connaisse pour un push d'EL84. C'est une excellente base.
De toute manière, Paraphase, Mullard-Schmitt, Williamson avec cathodyne, Loyez, tous ont fait leurs preuves dans les années 40-60, et même encore à l'heure actuelle. Donc, pourquoi changer ?
Personnellement, je garderais le schéma du constructeur. Les tubes EF86 se trouvent très facilement.
Je changerais tous les chimiques qui ont largement fait leur temps, et je mettrais des condensateurs de liaison de qualité, sans me ruiner avec du "paper in oil + polyproteflon using high aluminum foil and quadruple metallized with phenolic resin". Du MKP10 Wima en 400V sera laaaargement suffisant et n'est pas très cher.
Je supprimerais le réseau 22nF 1M entouré en rouge qui ne sert à rien.
Pour le 50µF qui est en parallèle sur la 50 ohm, un nichicon muse (par exemple) non polarisé de 47µF/25V sera farpait, pareil pour celui de la cathode de la EF86.
Les résistances sont également à vérifier quand à leur valeur. Au delà de 20%, tu changes.
Pour avoir connu un ancien bobineur de chez Supersonic, je peux vous dire que le gars savait ce qu'était un transfo... il y a matière à faire un excellent amplificateur, et si les enceintes sont à la hauteur (bon à haut rendement souhaitable, l'ampli ne dépassant pas 10W), un très bon système.
J'en pense que le Supersonic W30 est un super transfo, le meilleur du commerce que je connaisse pour un push d'EL84. C'est une excellente base.
C'est faisable, mais il faut tout recalculer et faire des essais pour la contre réaction.Si je change le schéma vers soit un schmidt ou un cathodyne, si possible en gardant l'EF86 d'entrée et son circuit de feed back
De toute manière, Paraphase, Mullard-Schmitt, Williamson avec cathodyne, Loyez, tous ont fait leurs preuves dans les années 40-60, et même encore à l'heure actuelle. Donc, pourquoi changer ?
Personnellement, je garderais le schéma du constructeur. Les tubes EF86 se trouvent très facilement.
Je changerais tous les chimiques qui ont largement fait leur temps, et je mettrais des condensateurs de liaison de qualité, sans me ruiner avec du "paper in oil + polyproteflon using high aluminum foil and quadruple metallized with phenolic resin". Du MKP10 Wima en 400V sera laaaargement suffisant et n'est pas très cher.
Je supprimerais le réseau 22nF 1M entouré en rouge qui ne sert à rien.
Pour le 50µF qui est en parallèle sur la 50 ohm, un nichicon muse (par exemple) non polarisé de 47µF/25V sera farpait, pareil pour celui de la cathode de la EF86.
Les résistances sont également à vérifier quand à leur valeur. Au delà de 20%, tu changes.
Pour avoir connu un ancien bobineur de chez Supersonic, je peux vous dire que le gars savait ce qu'était un transfo... il y a matière à faire un excellent amplificateur, et si les enceintes sont à la hauteur (bon à haut rendement souhaitable, l'ampli ne dépassant pas 10W), un très bon système.
NAN !
Jean-François Robert, apprenant en électronique.
Jean-François Robert, apprenant en électronique.
-
omniex
- Membre débutant
- Messages : 10
- Enregistré le : ven. 17 avr. 2015 07:46
- Localisation : 94 fontenay sous bois
Re: André Radio 108
bonjour, merci de tes remarques et conseils. Je vais faire comme tu dis au moins dans un premier temps : conserver le montage initial en changeant toutes les capas de liaison et chimiques, et mesurer avec mon petit oscillo tout ce que cela donne. Et surtout : écouter ses amplis sur mon système (je bricole un ensemble 3 voies de 92 db à peu près à base de TAD TL1102 + ATCSM75-150s + DYNAUDIO ESOTAR et filtre SYNKRON).
En plus, cela ne fait pas beaucoup de composants, et ils sont facilement accessible.
Pour le préampli CLEVOX type 255, çà va être beaucoup plus hard ! voir la photo jointe (ce n'est pas le mien, mais c'est pareil, ou presque ). Il y a un grand bombre de capas chimiques, et les capas de liaison sont presque inaccessible. Si j'ai bien compris ce modèle, il semblerait qu'il y ait des touches pour occulter les filtres graves / aigus, et idem pour le filtre général pour la radio j'imagine. Ce qui voudrait dire que si je peux isoler le préampli ligne , voir le préampli phono RIAA, je pourrais me contenter de "moderniser" ces seuls fonctions. Je me souhaite bonne chance.
Si des personnes ont des infos sur ce préampli très impressionnant, je suis preneur.
CDT
MARC
En plus, cela ne fait pas beaucoup de composants, et ils sont facilement accessible.
Pour le préampli CLEVOX type 255, çà va être beaucoup plus hard ! voir la photo jointe (ce n'est pas le mien, mais c'est pareil, ou presque ). Il y a un grand bombre de capas chimiques, et les capas de liaison sont presque inaccessible. Si j'ai bien compris ce modèle, il semblerait qu'il y ait des touches pour occulter les filtres graves / aigus, et idem pour le filtre général pour la radio j'imagine. Ce qui voudrait dire que si je peux isoler le préampli ligne , voir le préampli phono RIAA, je pourrais me contenter de "moderniser" ces seuls fonctions. Je me souhaite bonne chance.
Si des personnes ont des infos sur ce préampli très impressionnant, je suis preneur.
CDT
MARC
- Fichiers joints
-
- CLEVOX préampli255-3.jpg (132.56 Kio) Vu 9168 fois
- 6336A
- Membre no life
- Messages : 2721
- Enregistré le : mer. 27 févr. 2019 09:20
Re: André Radio 108
Ouf, j'ai compté 12 tubes...
Si comme tu dis, tu peux occulter les filtres, ça ne sera que mieux.
Il faudrait le schéma... et là bon courage ! A moins que quelqu'un l'ait...
Si comme tu dis, tu peux occulter les filtres, ça ne sera que mieux.
Il faudrait le schéma... et là bon courage ! A moins que quelqu'un l'ait...
NAN !
Jean-François Robert, apprenant en électronique.
Jean-François Robert, apprenant en électronique.
-
omniex
- Membre débutant
- Messages : 10
- Enregistré le : ven. 17 avr. 2015 07:46
- Localisation : 94 fontenay sous bois
Re: André Radio 108
En général çà m'amuse (et çà m'instruit) de reconstituer les schémas. Mais là c'est mission impossible, j'ai même du mal à isoler la partie ligne !
Pour la partie phono c'est facile car les éléments sont clairement connectés aux entrées phonos avant d'attaquer le sélecteur et tout le reste, avec qd mm une complication liée aux choix de courbes RIAA, AES et 78T. Il y a 4 lampes juste pour cette étage !
Je crois avoir isoler les filtres graves et aigus (1 lampes par voie) qui serait positionnés horizontalement derrière la façade, dans la partie supérieure, c-a-d au dessus de la plaque qui porte la plupart des lampes.
c'est admirable, mais incroyablement dense, et sans doute ce préampli devait couter très cher à fabriquer et être presque invendable à l'époque.
cdt
marc
Pour la partie phono c'est facile car les éléments sont clairement connectés aux entrées phonos avant d'attaquer le sélecteur et tout le reste, avec qd mm une complication liée aux choix de courbes RIAA, AES et 78T. Il y a 4 lampes juste pour cette étage !
Je crois avoir isoler les filtres graves et aigus (1 lampes par voie) qui serait positionnés horizontalement derrière la façade, dans la partie supérieure, c-a-d au dessus de la plaque qui porte la plupart des lampes.
c'est admirable, mais incroyablement dense, et sans doute ce préampli devait couter très cher à fabriquer et être presque invendable à l'époque.
cdt
marc
- pierrew
- Membre confirmé
- Messages : 25
- Enregistré le : lun. 9 janv. 2012 16:21
- Localisation : Bordeaux
- Contact :
Re: André Radio 108
Bonjour à tous,
C'est rigolo finalement de retrouver sur ce même fil que j'avais ouvert à l'époque, quelques temps après l'ensemble Clévox André Radio qui m'a appartenu. En fait, c'était surtout les amplis qui étaient vraiment beaux (visuellement) et bons en terme de son. Je dois reconnaître que pour moi, votre langue vient d'une autre planète tant mes notions sont rudimentaires. Je vois en tout cas que l'ensemble est entre de bonnes mains. Ca n'a pas l'air facile facile surtout en ce qui concerne le pré-ampli qui m'a l'air d'être assez complexe. Je vais voir ce que je retrouve en terme de plans, mais je ne suis pas sûr que cela puisse être d'une grande aide.
Cordialement,
Pierre
C'est rigolo finalement de retrouver sur ce même fil que j'avais ouvert à l'époque, quelques temps après l'ensemble Clévox André Radio qui m'a appartenu. En fait, c'était surtout les amplis qui étaient vraiment beaux (visuellement) et bons en terme de son. Je dois reconnaître que pour moi, votre langue vient d'une autre planète tant mes notions sont rudimentaires. Je vois en tout cas que l'ensemble est entre de bonnes mains. Ca n'a pas l'air facile facile surtout en ce qui concerne le pré-ampli qui m'a l'air d'être assez complexe. Je vais voir ce que je retrouve en terme de plans, mais je ne suis pas sûr que cela puisse être d'une grande aide.
Cordialement,
Pierre
-
omniex
- Membre débutant
- Messages : 10
- Enregistré le : ven. 17 avr. 2015 07:46
- Localisation : 94 fontenay sous bois
Re: André Radio 108
bonjour, pierrew, et bonne année 2020 à tous.
Votre ensemble CLEVOX andré radio était vraiment très beau, et entre parenthèse je me demande encore pourquoi on voyait 3 lampes en entrée sur vos amplis, au lieu de 2 EF86 en "standard".
pour mon projet, J'ai commandé les composants pour remettre à neuf les 2 amplis (les condensateurs chimiques et les liaisons) et les remettre en marche. Si vous avez encore de la doc çà serait vraiment utile à tous. merci encore
cdt, Marc
Votre ensemble CLEVOX andré radio était vraiment très beau, et entre parenthèse je me demande encore pourquoi on voyait 3 lampes en entrée sur vos amplis, au lieu de 2 EF86 en "standard".
pour mon projet, J'ai commandé les composants pour remettre à neuf les 2 amplis (les condensateurs chimiques et les liaisons) et les remettre en marche. Si vous avez encore de la doc çà serait vraiment utile à tous. merci encore
cdt, Marc
- pierrew
- Membre confirmé
- Messages : 25
- Enregistré le : lun. 9 janv. 2012 16:21
- Localisation : Bordeaux
- Contact :
Re: André Radio 108
J'en suis ravi. Moi aussi, je le trouvais beau. Beaucoup moins le Clévox, sûrement à cause de sa complexité.
Voici donc ce que j'ai en ma possession, mais à mon avis cela ne va pas vous aider beaucoup. Je n'ai aucune idée de ce à quoi ça correspond.
Voici donc ce que j'ai en ma possession, mais à mon avis cela ne va pas vous aider beaucoup. Je n'ai aucune idée de ce à quoi ça correspond.
