Si tu sort du son des 2 cotés , même si ce n'est que la voie de gauche, cela signifie que ta partie puissance est ok, car c'est ton sélécteur de voie qui envoie le signal gauche aux DEUX parties ampli (droite et gauche).biggs a écrit :Bonjour, et déja bravo pour le boulot.
Je me permet d'integrer le sujet car j'ai sauvé un ampli similaire (version avec tuner intégré) de la decharge, mais qui ne marche malheureusement pas parfaitement. Je fais donc appel a votre aide car mes piètres competencences en electronique ne me permettent pas d'en venir a bout.
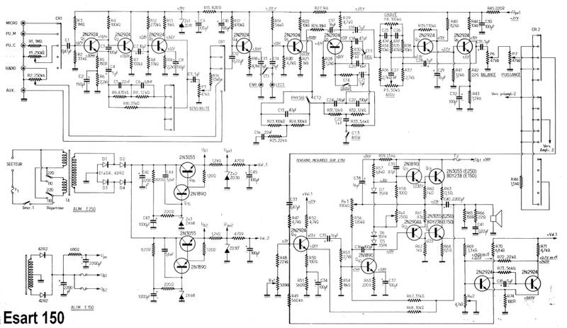
Voila le topo:
Une des voies ne marche pas (la droite) mais, en utilisant le selecteur de canaux, je réussi à faire sortir du son sur mes deux enceintes, mais seulement la voie gauche. J'ai un signal tres leger sur l'enceinte droite quand je suis en mode stereo normal, ce qui voudrait dire que le problème se situe dans la partie amplification de puissance (ou pas?).
Pourriez vous m'indiquer les composants a tester et éventuellement changer dans mon cas?
Je peux vous fournir des photos au besoin
D'avance merci, et bon courage dans votre sainte mission
Essaye déjà de bien nettoyer tes potard et boutons, soit à la bombe contact, soit à la vaseline (plus long, mais résultat impeccable)
Vérifie les soudures aussi, on ne sait jamais

Contrôle aussi tes cables et les entrées de l'ampli, il se peut qu'elles soient oxydées et/ou sales, et du coup le contact n'est pas franc.