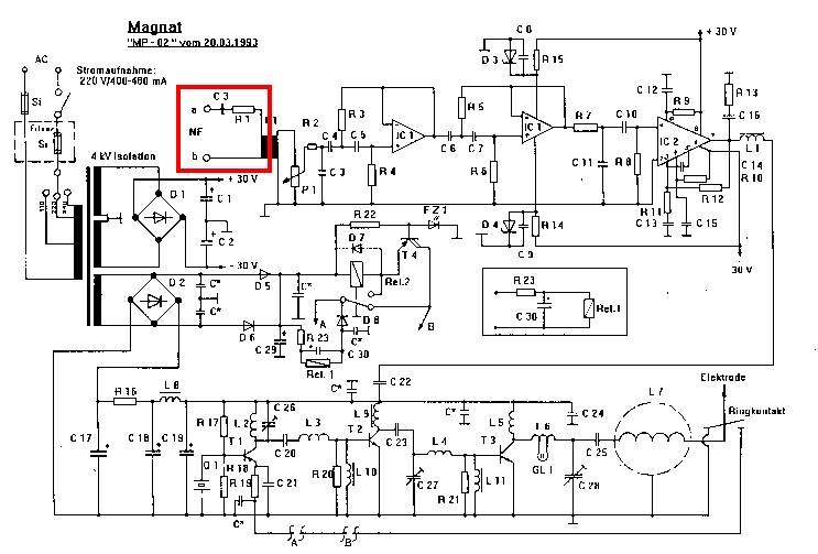
Apparemment il y a un transfo en entrée avec condo série , ouvrir pour vérifier si pas hs et controlé
Le forum Audiovintage est privé.
En tant qu'invité, vous avez accès à certaines rubriques uniquement, l'ajout de nouveaux membres n'est pas possible pour le moment.
En tant qu'invité, vous avez accès à certaines rubriques uniquement, l'ajout de nouveaux membres n'est pas possible pour le moment.
Magnat Plasma MP 02
- hencot
- Super Modérateur
- Messages : 2601
- Enregistré le : mer. 31 mars 2010 18:46
- Localisation : 33.. prés de chez Charles
- Contact :
- Sgt.Pepper
- Membre no life
- Messages : 2904
- Enregistré le : sam. 19 déc. 2009 17:06
Re: Tweeter Magnat Plasma MP 02
!!!
J'ai changé l'appareil par l'autre.
J'ai mis la tige.
Je met sous tension, oooh la belle jaune :p
Il y a une flamme.
Fébrile, j'allume l'ampli, j'augmente le volume. Le son est nul. Mauvais. Et vu l'odeur j'ai débranché :p pis il y a quelques irrégularités, ça fait quelques étincelles des fois. Même assez régulièrement.
Des avis ? :p*
EDIT : merci Henricot faudra que je jette un oeil !
J'ai changé l'appareil par l'autre.
J'ai mis la tige.
Je met sous tension, oooh la belle jaune :p
Il y a une flamme.
Fébrile, j'allume l'ampli, j'augmente le volume. Le son est nul. Mauvais. Et vu l'odeur j'ai débranché :p pis il y a quelques irrégularités, ça fait quelques étincelles des fois. Même assez régulièrement.
Des avis ? :p*
EDIT : merci Henricot faudra que je jette un oeil !
- Sgt.Pepper
- Membre no life
- Messages : 2904
- Enregistré le : sam. 19 déc. 2009 17:06
Re: Tweeter Magnat Plasma MP 02
Je l'ai rallumé tout à l'heure avec une bonne demi heure de chauffe, eh bien le résultat est le même : décevant, comme l'impression que c'est étouffé. Un truc doit clocher ? (mon filtre médiocre ?^^) Le fait que l'appareil n'aie pas fonctionné depuis un sacré bout de temps ?
J'attends d'avoir le manuel technique.
J'attends d'avoir le manuel technique.
- Vinc
- Membre no life
- Messages : 4743
- Enregistré le : lun. 9 nov. 2009 19:07
- Localisation : Belgique
Re: Tweeter Magnat Plasma MP 02
tu l'as fait fonctionner tout seul?
- Sgt.Pepper
- Membre no life
- Messages : 2904
- Enregistré le : sam. 19 déc. 2009 17:06
Re: Tweeter Magnat Plasma MP 02
Oui, comme je le disais plus haut, ma seule installation, pour le moment, est l'ampli Yamaha de puissance avec le préampli de la platine Revox. Je ne peux donc faire fonctionner qu'une paire d'enceinte. Soit A soit B
