Le forum Audiovintage est privé.
En tant qu'invité, vous avez accès à certaines rubriques uniquement, l'ajout de nouveaux membres n'est pas possible pour le moment.

Beovox S30

Le maillon principal de la chaine.
Répondre
Avatar du membre
Charly
Super membre
Messages : 544
Enregistré le : mer. 14 déc. 2011 13:55
Localisation : 78

Beovox S30

Message par Charly »

Bonsoir à tous,

Voici une petite présentation d'une paire de biblio vintage que j'ai récupéré chez mes parents. Elles étaient utilisées avec un ampli trop puissant pour elles et ma famille a fait quelques soirées avec... A cela ajoutez les marques de pot de fleur et autre chocs ou rayures, et les caches qui ont été coincés avec des bouts de plastiques qui ont provoqué la casse des tétons de fixation au démontage... :cry:

Je les ai donc remplacé sur place par une paire de Boston CR-7 qui les remplacent très bien, qui tiennent les Watt de l'ampli et me donne le temps d'en prendre soin.

Je vais faire un rapide reportage photo de ces petites, en commençant par cette image comparative avant/après (ou presque) :
avant-après.jpg
avant-après.jpg (179.96 Kio) Vu 4563 fois

Au programme :
  • refaire les caisses
  • refaire les filtres
  • trouver un moyen de refixer les caches
Quelques images du démontage... Ah oui : les enceintes ont passé près de 30 ans au bord de la mer, et cela se voit.
demontage1.jpg
demontage1.jpg (183.84 Kio) Vu 4563 fois
Traces blanches qui s'essuient au chiffon sec... qu'est-ce donc ?
Traces blanches qui s'essuient au chiffon sec... qu'est-ce donc ?
tweeter-sale.jpg (249.31 Kio) Vu 4563 fois
filtre-en-place.jpg
filtre-en-place.jpg (252.74 Kio) Vu 4563 fois
Référence des HP :
boomer-ref.jpg
boomer-ref.jpg (246.1 Kio) Vu 4563 fois
tweeter-ref.jpg
tweeter-ref.jpg (31.31 Kio) Vu 4563 fois
Avatar du membre
Charly
Super membre
Messages : 544
Enregistré le : mer. 14 déc. 2011 13:55
Localisation : 78

Re: Beovox S30

Message par Charly »

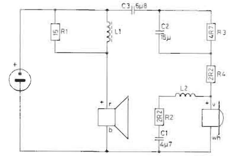
Le filtre semble en bon état "extérieur", mais à la mesure, certains condensateurs ont dérivé au delà de la tolérance. Étonnamment, les condensateurs installés ne sont pas exactement conforme au schéma trouvé sur le manuel de service.
filtre1.jpg
filtre1.jpg (202.68 Kio) Vu 4561 fois
filtre2.jpg
filtre2.jpg (185.06 Kio) Vu 4561 fois
valeurs-condos.jpg
valeurs-condos.jpg (53.42 Kio) Vu 4561 fois
schema.JPG
schema.JPG (35.22 Kio) Vu 4561 fois
Les condensateurs de remplacement sont commandés et pendant ce temps je traite les caisses :
  • ponçage
  • huilage
  • sèchage
  • re-ponçage fin
  • re-huilage
  • et pour finir, vernis
  • ponçage fin
  • 2ème couche de vernis
Voici les caisses terminées :
caisse1.jpg
caisse1.jpg (273.49 Kio) Vu 4561 fois
caisse2.jpg
caisse2.jpg (265.17 Kio) Vu 4525 fois
Le vernis est surtout là pour pérenniser mon travail : il protège de l'humidité si jamais un pot de fleur venait à se reposer là-dessus.

Tous les défauts n'ont pu être effacés. Certaines tâches ou rayures étaient profondes. Il y a des coins enfoncés, mais grosso-modo, elles ont meilleure allure !

Il faudra que je vois aussi pour le tissu des caches qui montre les agressions du temps. Cela attendra un peu encore...
Modifié en dernier par Charly le lun. 8 juin 2020 17:56, modifié 2 fois.
Avatar du membre
Charly
Super membre
Messages : 544
Enregistré le : mer. 14 déc. 2011 13:55
Localisation : 78

Re: Beovox S30

Message par Charly »

Pour la fixation des caches, j'ai utilisé de la mousse fixée autour de ce qui était auparavant le puit de fixation des tétons. Ces éléments qui étaient "femelles" dans le passé, sont devenus "mâles" aujourd'hui. C'est dans l'air du temps diront certains... Bref...
caisse3.jpg
caisse3.jpg (235.66 Kio) Vu 4524 fois
J'ai brossé les vis corrodées :
vis.jpg
vis.jpg (121.92 Kio) Vu 4559 fois
Entre temps j'ai reçu les condensateurs, et refais les filtres :
filtre-refait.jpg
filtre-refait.jpg (160.86 Kio) Vu 4560 fois
On les installe dans les caisses :
filtre-installe.jpg
filtre-installe.jpg (217.06 Kio) Vu 4560 fois
On remet la "bourre" acoustique :
caisse-rebourree.jpg
caisse-rebourree.jpg (164.07 Kio) Vu 4560 fois
Et on peut tester !!
1er-test.jpg
1er-test.jpg (246.9 Kio) Vu 4560 fois
Modifié en dernier par Charly le lun. 8 juin 2020 17:56, modifié 4 fois.
Avatar du membre
Charly
Super membre
Messages : 544
Enregistré le : mer. 14 déc. 2011 13:55
Localisation : 78

Re: Beovox S30

Message par Charly »

Au premier essai je détecte un cache-noyau à moitié décollé (grésillement sur des sons forts), corrigé depuis.

Petit compte rendu d'écoute...

Les HP ont l'air très sérieux : de qualité, bien motorisé (le moteur du boomer a presque le diamètre du cône du HP...).

Je les écoutes actuellement en remplacement de mes Sony APM-20ES partiellement démontées (ce sera décrit dans un autre sujet prochainement).

J'ai essayé le jazz, la pop/rock et le classique. Evidemment, sur des petits ensembles acoustiques, ces enceintes fonctionnent très bien. Elles ne proposent pas de basses profondes on s'en doute, mais les aigus sont fins et pas agressifs. Les violons, les guitares acoustiques, les voix, sax, etc sont très bien rendus (hifi !!) mais la contrebasse manquera de "coffre", comme la grosse caisse. Malgré tout les percussions sont bien là, rendues avec précisions à mes oreilles. Elles peuvent être brouillonnes sur certains grands ensembles symphoniques...

Ce sont des enceintes plutôt polyvalentes qui seront le plus à l'aide dans des pièces de taille moyenne, mais qui pourront aussi sonoriser des salons plus grands. Elles fonctionnaient très bien dans un salon de plus de 25m² et il n'y a pas de raison que cette restauration ait changé cela...

Comparée aux Sony APM-20ES elles produisent moins de basses (limite basse 49Hz vs 40Hz selon les docs respectives de B&O et Sony), en revanche les B&O demanderont moins d'effort aux amplis avec un rendement annoncé de 91dB vs 88 pour les Sony. J'entends nettement la différence et dois jouer du potard de volume quand je passe de l'une à l'autre.

Bref, elles ont des qualités et des (petits) défauts, mais pour un bureau, une chambre, elles feront des enceintes parfaites, et dans un salon elles sauront en remontrer à des modèles plus gros !

Je rajoute ici les spécifications techniques extraites de la document du constructeur :
  • Puissance admissible : 30W efficace, 50W en crête
  • Impédance : 4-8 ohms
  • Plage de fréquence : 49Hz - 20kHz
  • Distorsion 250-1000 Hz : < 2%
  • Distorsion au dessus de 2000Hz : < 1%
  • Sensibilité : 5W (ça correspond à quoi ???)
  • Dispersion : 120°
  • Volume : 8.4 L net, 12.4 brut (?)
  • Woofer : 16 cm / 6"1/2
  • Tweeter : 2.5 cm / 1"
  • Fréquence de coupure : 3 kHz
  • Dimensions : 22 x 41x 15 cm
  • Poids : 4 kg
Je dois ajouter que l'équilibre sonore de ces enceintes est bien meilleur que celui des Akai SA-800 dont je parlais récemment...

Nota : je ne sais plus où j'ai lu l'info concernant les 91 dB de rendement de cette enceinte. Cependant sa grande soeur S40 annonce 92 dB, donc le rendement doit tourner autour de cette valeur...

Charly
Répondre