réparé une entre noël et le nouvel an
c'est parti d'un pote qui voulait acheter une platine vintage et au passage il me dit qu'il en aune qui déconne
je demande , quel modèle et me répond une Philips 777
ce à quoi je lui répond , amène là , cette Philips doit pouvoir être réparée
la panne : entraînement OK
l'automatisme , pas bon du tout , et impossible de lire , il y a un point dur au milieu de la course du bras
démontage :
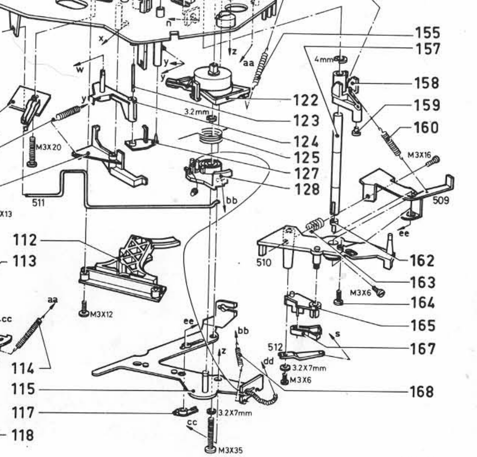
pas vu grans chose semblant anormal sauf semble t-il une dent cassée sur une petite pièce en plastique sous le bras
chose bizarre , cette pièce semble avoir un jeu excessif
cette pièce (165) est montée sur un axe solidaire d'une pièce (509) solidaire du bras
l'axe présente un jeu anormal dans 509

- philips_22af777_arm.png (630.88 Kio) Vu 3629 fois
j'ai mis une bonne heure à comprendre ce qu'il s'était passé
si j'ai bien compris , il semblerait que le défaut de départ soit la casse d'une dent sur 165
puis , je ne sais pas comment cette pièce 165 a étée forcée et a faussé l'axe
elle a quitté la position qu'elle devait occuper ( environ 30° de débattement angulaire dans le plan horizontal sous 509)
elle était tournée sur le côté et bloquait le bras dans une position non prévue au cous des séquences de l'automatisme
réparation :
d'abord déclipsé 165 et la pince 167 de l'axe
collé l'axe à la bonne position à la colle cyanoacrylate (Superglue-3 , Cyanolit...)
équipé 165 d'une dent faite en fil de fer
remonté 165 à la bonne position
la pince 167 sert à mettre une fiction entre 165 et l'axe
et çà fonctionne
trouvé aussi des réglages mécaniques à reprendre
le servie manual est facilement trouvable sur le www
dispo sur Vinyl Engine
Vintage audiolaser
elektrotanya
des photos de ce bazar tout en plastique ou presque

- 777-b.JPG (137.42 Kio) Vu 3629 fois

- 777-a.JPG (185.96 Kio) Vu 3629 fois

- 777_tringlerie_1.JPG (182.12 Kio) Vu 3629 fois
un gif reprenant 2 cycles automatique , le premier à vide
le 2 correspondant à la manœuvre "start" avec une dépose sur un 45 tours

- 853177777tringlerie.gif (3.72 Mio) Vu 3052 fois
ce n'est sûrement pas la meilleure platine mais çà fonctionne déja bien pour une platine presque 100% plastique
le plateau est en alu léger à mon goût mais avec un tapis correct qui amortit bien
entraînement à courroie avec un asservissement de vitesse , il y a un alternateur tachymétrique sous le petit plateau en plastique
elle a repris du service