Bien sympathique ce petit ampli. Est-ce que les potentiomètres et les sélecteurs sont de qualité, facilement nettoyables ?
Préampli phono en transistors discrets, alim symétrique.
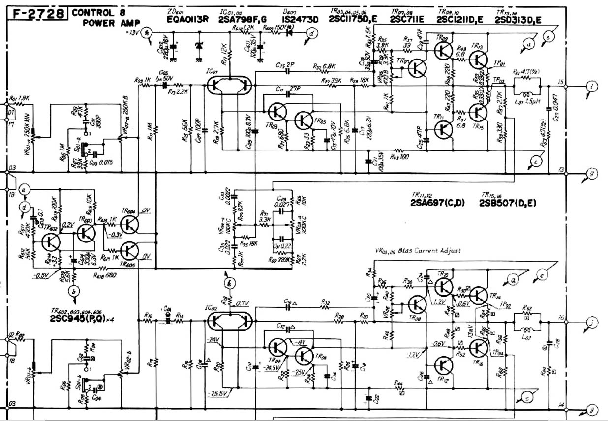
Ampli de puissance en composants discrets, alim symétrique, paire différentielle en entrée, correcteur de tonalité dans la contre-réaction. Condensateur bootstrap branché non pas à l'alim de puissance, mais à une alim auxiliaire positive dotée de son propre pont redresseur, soigneusement filtrée via transistor ballast. Bravo !
Quoique : circuit simpliste de muting électronique qui court-circuite l'entrée de l'ampli de puissance. Il semble que sans ce muting à l'entrée, l'ampli délivre un vilain transitoire à l'extinction et/ou à l'allumage, si la source reste en fonction. Tel circuit simpliste engendre de la distorsion lorsque le niveau audio en sortie du potentiomètre atteint 100 mV, donc à fort volume. Heureusement, la distorsion reste insignifiante à faible volume. Ce muting en entrée a permis d'éliminer l'habituel relais de protection sur les sorties, relais qui isole les haut-parleurs durant les phases d'allumage et d'extinction. L'élimination de tel relais est une bonne chose car en s'oxydant, les contacts de tel relais tendent à dégrader le signal, surtout à bas niveau (effet diode). Le compromis choisi par Sansui tient la route car l'AU-117 est un ampli de faible puissance, censé sonoriser une petite chambre, donc à l'opposé d'un ampli de sono que l'on fait travailler à fort volume. Il serait intéressant de voir quelles sont les nuisances en déconnectant les collecteurs des deux transistors de muting (TR604 et TR605), si on se contente d'écouter à bas volume. Laisser la source branchée, puis allumer et éteindre l'ampli. Si les nuisances sont négligeables, on peut laisser comme cela, circuit de muting déconnecté. Le son gardera sa pureté même à fort volume.
Quoique : aucun dispositif de protection, ni limitation électronique du courant dans les transistors de sortie, ni protection des enceintes contre du continu en sortie. On trouve uniquement un fusible sur le primaire du transfo, et un interrupteur thermique sur le primaire du transfo. Que penser de cela ? Est-ce que que les transistors de sortie survivent à un bête court-circuit en sortie ? Si c'est le cas, on applaudit, car l'absence de limitation électronique du courant milite en faveur de la qualité de restitution. Ceci étant dit, compte tenu de la puissance modeste de l'ampli, même s'il se met en faute en délivrant du continu en sortie, pour peu que le haut-parleur soit costaud, il tiendra le temps que le fusible et/ou l'interrupteur thermique mettent à agir. Là aussi, le compromis proposé par Sansui tient la route. Sauf que, personnellement, si je devais utiliser cet ampli dans un système bi-amplifié, je mettrais un condensateur en série avec mon précieux tweeter, qui lui, ne survivrait pas à du continu en sortie. Si j'ai affaire à un système bi-amplifié avec filtre passif, il n'y a pas de souci car tel condensateur existe dans le filtre passe-haut. Si par contre j'ai affaire à un système bi-amplifié avec filtre actif, il peut y avoir un problème.
Série I alimentée en +26V et -26V. Sa puissance de seulement 2 x 15 Watt a du rebuter de nombreux acheteurs potentiels.
Série II alimentée en +32V et -32V. Puissance de 2 x 25 Watt. Voilà qui semble plus confortable.
L'ampli AU-217 adopte un schéma différent, plus compliqué.
L'ampli AU-317 adopte un schéma encore différent, encore plus compliqué.
On ne s'en douterait pas, car vus de l'extérieur, les amplis AU-117, AU-217 et AU-317 sont identiques.
Un joli petit ampli, ce Sansui AU-117 !

- Sansui AU-117.jpg (200.03 Kio) Vu 22323 fois