Apéro bien mérité !!
Filtre actif sans AOP JF Technology
-
Padawan
- Membre éminent
- Messages : 1140
- Enregistré le : ven. 18 juil. 2014 11:40
- Localisation : Grenoble
Re: Filtre actif sans AOP JF Technology
Félicitations Vincent !!
Apéro bien mérité !!![[:cerveau picole] [:cerveau picole]](./images/smilies/cerveau%20picole.gif)
Apéro bien mérité !!
- 6336A
- Membre no life
- Messages : 2733
- Enregistré le : mer. 27 févr. 2019 09:20
Re: Filtre actif sans AOP JF Technology
Bonjour
Je vais un peu tempérer l'enthousiasme de notre misérois sans avoine national :
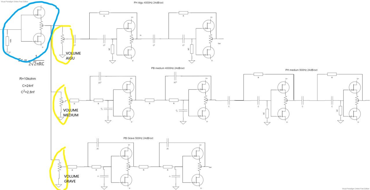
Je suppose que les potentiomètres avec les curseurs jaunes sont ceux entourés en jaune sur le schéma :
Attention, il s'agit des potentiomètres de volume pour ajuster le niveau de chaque voie.
Donc dans ce cas, il te faudra régler les niveaux au tournevis coffret ouvert, bonjour l'angoisse.
Deuxième chose, le passe-bande est la somme du passe-haut 500Hz et du passe-bas 4000Hz. Donc pas besoin d'un deuxième potentiomètre de volume...
Troisième chose, oukati quelle est passée la cellule d'entrée entourée en bleu sur le schéma ?
Quatrième chose, bois-en un à notre santé, merci.
Je vais un peu tempérer l'enthousiasme de notre misérois sans avoine national :
Je suppose que les potentiomètres avec les curseurs jaunes sont ceux entourés en jaune sur le schéma :
Attention, il s'agit des potentiomètres de volume pour ajuster le niveau de chaque voie.
Donc dans ce cas, il te faudra régler les niveaux au tournevis coffret ouvert, bonjour l'angoisse.
Deuxième chose, le passe-bande est la somme du passe-haut 500Hz et du passe-bas 4000Hz. Donc pas besoin d'un deuxième potentiomètre de volume...
Troisième chose, oukati quelle est passée la cellule d'entrée entourée en bleu sur le schéma ?
Quatrième chose, bois-en un à notre santé, merci.
NAN !
Jean-François Robert, apprenant en électronique.
Jean-François Robert, apprenant en électronique.
- m3uh04
- Super membre
- Messages : 684
- Enregistré le : mar. 5 juil. 2016 15:45
- Localisation : Par là ... (13 ou 04)
Re: Filtre actif sans AOP JF Technology
Merci Alex
JF,
Oui c'est bien cela. Et j'ai volontairement fait le choix de les laisser dans ce format car j'ai déjà deux réglages de volumes sur le pré-ampli (droide et gauche) et deux autres sur mon égaliseur (droite et gauche aussi). Je trouve inutile d'en ajouter 6 de plus. Donc je ferais mes réglages capots ouvert, appuyé par des mesures pour tout équilibrer. Puis je referme, et plus besoin d'y toucher.6336A a écrit : mar. 6 avr. 2021 10:13 Je suppose que les potentiomètres avec les curseurs jaunes sont ceux entourés en jaune sur le schéma :
Attention, il s'agit des potentiomètres de volume pour ajuster le niveau de chaque voie.
Donc dans ce cas, il te faudra régler les niveaux au tournevis coffret ouvert, bonjour l'angoisse.
Le passe-bande, c'est bien l'ensemble pour filtrer mon médium ? Donc il me faut bien un (1 seul) potentiomètre à ce niveau également non ?6336A a écrit : mar. 6 avr. 2021 10:13 Deuxième chose, le passe-bande est la somme du passe-haut 500Hz et du passe-bas 4000Hz. Donc pas besoin d'un deuxième potentiomètre de volume...
Cette carte pour le filtrage du médium n'est pas sur la photo, je ne les avaient pas encore soudées.
Sur une autre carte, plus trop de places sur celles là ...6336A a écrit : mar. 6 avr. 2021 10:13 Troisième chose, oukati quelle est passée la cellule d'entrée entourée en bleu sur le schéma ?
Je vous fais des photos ce soir.
J'ai raté l'occasion, mais promis je me rattrape ce soir
En même temps, je vais voir comment câbler temporairement les filtres pour régler les offset. Le soucis de ces petites plaques pré-imprimés, c'est qu'elles n'aiment pas trop qu'on soude et dessoude des composants dessus. Les pastilles partent systématiquement en sucette ...
A plus,
Vincent
"La bonne taille c'est quand les pieds touchent par terre" Coluche
Du coup c'est valable pour des enceintes ?
"La bonne taille c'est quand les pieds touchent par terre" Coluche
Du coup c'est valable pour des enceintes ?
- 6336A
- Membre no life
- Messages : 2733
- Enregistré le : mer. 27 févr. 2019 09:20
Re: Filtre actif sans AOP JF Technology
Ok.
Oui, c'est ça. Un seul potentiomètre donc.Deuxième chose, le passe-bande est la somme du passe-haut 500Hz et du passe-bas 4000Hz. Donc pas besoin d'un deuxième potentiomètre de volume...
Le passe-bande, c'est bien l'ensemble pour filtrer mon médium ? Donc il me faut bien un (1 seul) potentiomètre à ce niveau également non ?
Oui, il faut utiliser une centrale et ne pas dépasser 250-300°.Le soucis de ces petites plaques pré-imprimés, c'est qu'elles n'aiment pas trop qu'on soude et dessoude des composants dessus. Les pastilles partent systématiquement en sucette ...
NAN !
Jean-François Robert, apprenant en électronique.
Jean-François Robert, apprenant en électronique.
- m3uh04
- Super membre
- Messages : 684
- Enregistré le : mar. 5 juil. 2016 15:45
- Localisation : Par là ... (13 ou 04)
Re: Filtre actif sans AOP JF Technology
Ok, je vais essayé en mettant mon fer moins fort. Il y a un petit réglage de puissance dessus mais c'est un peu au pif ...
Vincent
"La bonne taille c'est quand les pieds touchent par terre" Coluche
Du coup c'est valable pour des enceintes ?
"La bonne taille c'est quand les pieds touchent par terre" Coluche
Du coup c'est valable pour des enceintes ?
- 6336A
- Membre no life
- Messages : 2733
- Enregistré le : mer. 27 févr. 2019 09:20
Re: Filtre actif sans AOP JF Technology
Qu'est ce que tu utilises comme soudure ?
NAN !
Jean-François Robert, apprenant en électronique.
Jean-François Robert, apprenant en électronique.
- m3uh04
- Super membre
- Messages : 684
- Enregistré le : mar. 5 juil. 2016 15:45
- Localisation : Par là ... (13 ou 04)
Re: Filtre actif sans AOP JF Technology
Vincent
"La bonne taille c'est quand les pieds touchent par terre" Coluche
Du coup c'est valable pour des enceintes ?
"La bonne taille c'est quand les pieds touchent par terre" Coluche
Du coup c'est valable pour des enceintes ?
- 6336A
- Membre no life
- Messages : 2733
- Enregistré le : mer. 27 févr. 2019 09:20
Re: Filtre actif sans AOP JF Technology
227° pour le point de fusion, ça ne devrait pas poser de problème.
NAN !
Jean-François Robert, apprenant en électronique.
Jean-François Robert, apprenant en électronique.
- m3uh04
- Super membre
- Messages : 684
- Enregistré le : mar. 5 juil. 2016 15:45
- Localisation : Par là ... (13 ou 04)
Re: Filtre actif sans AOP JF Technology
Vincent
"La bonne taille c'est quand les pieds touchent par terre" Coluche
Du coup c'est valable pour des enceintes ?
"La bonne taille c'est quand les pieds touchent par terre" Coluche
Du coup c'est valable pour des enceintes ?
- 6336A
- Membre no life
- Messages : 2733
- Enregistré le : mer. 27 févr. 2019 09:20
Re: Filtre actif sans AOP JF Technology
Bien.
Sur l'alimentation, place un condensateur après les régulateurs, une centaine de uF ira bien.
Et un petit dissipateur sur chacun d'eux.
Sur l'alimentation, place un condensateur après les régulateurs, une centaine de uF ira bien.
Et un petit dissipateur sur chacun d'eux.
NAN !
Jean-François Robert, apprenant en électronique.
Jean-François Robert, apprenant en électronique.
-
- Sujets similaires
- Réponses
- Vues
- Dernier message
-
- 92 Réponses
- 653215 Vues
-
Dernier message par Maxime1123
-
- 36 Réponses
- 163256 Vues
-
Dernier message par 6336A
