Il faudra me nettoyer tout ça ! Le son sera encore meilleur.
The Fisher 400
- chartz
- Membre no life
- Messages : 3402
- Enregistré le : jeu. 28 févr. 2013 15:32
- Localisation : Bresse bourguignonne
Re: The Fisher 400
Ca dépend si le cavaliers sont avant ou après la commande de volume...
Il faudra me nettoyer tout ça ! Le son sera encore meilleur.
Il faudra me nettoyer tout ça ! Le son sera encore meilleur.
Jacques
"If it is broke then fix it!" (Proverbe écossais)
"If it is broke then fix it!" (Proverbe écossais)
- chartz
- Membre no life
- Messages : 3402
- Enregistré le : jeu. 28 févr. 2013 15:32
- Localisation : Bresse bourguignonne
Re: The Fisher 400
Jacques
"If it is broke then fix it!" (Proverbe écossais)
"If it is broke then fix it!" (Proverbe écossais)
- Edith
- Membre honoraire
- Messages : 494
- Enregistré le : mer. 13 mars 2013 16:31
- Localisation : Poitou
Re: The Fisher 400
Éventuellement on pourrait le faire et avoir un préampli sans volume? (par curiosité, rien recollé, rien nettoyé
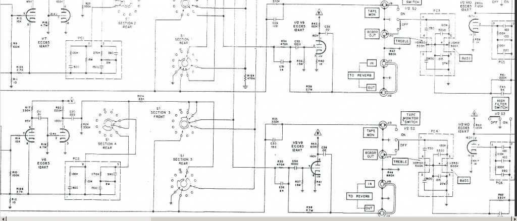
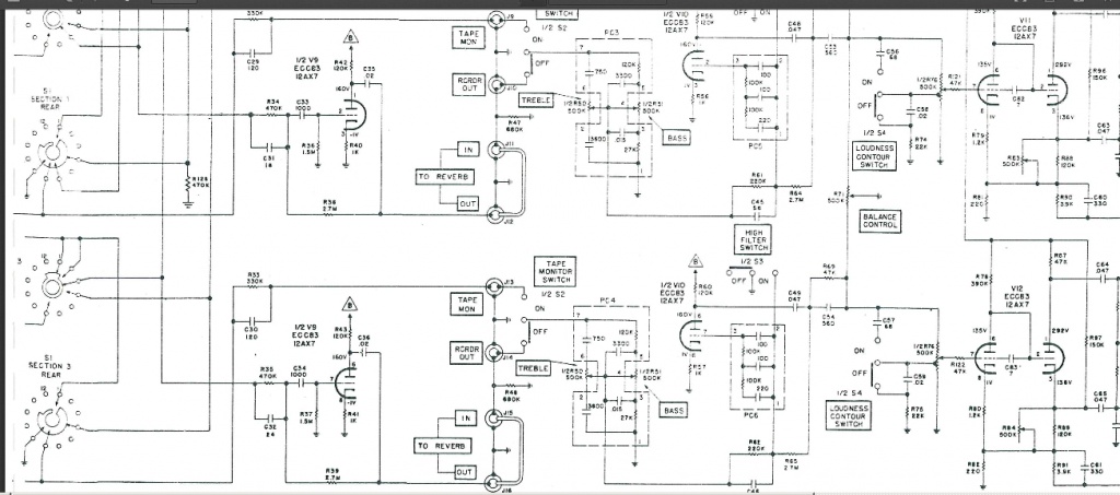
Aussi sur cette page http://192.254.190.79/~erajr/pag_eng/fish400g.htm il y a un lien pour le "service manual" qui ne se présente pas comme le tien, il y a-t-il une différence entre un "service manual" et un schéma technique ?


- Klemp
- Administrateur du site
- Messages : 6341
- Enregistré le : lun. 2 juil. 2012 22:39
- Localisation : Toujours dans mon terrier
Re: The Fisher 400
Bonjour Edith
Un "Service Manual" contient l' essentiel de l' étude du circuit, généralement le pourquoi du comment, une part des résolutions des problèmes les plus courants , ainsi que le schéma complet et détaillé.
"""Sur l’appareil (et sur le mode d’emploi), on voit inscrit sous les cavaliers que l’on peut ajouter un appareil de réverbération, cela veut-il dire que ce in/out ne peut pas servir pour séparer le préampli de l’ampli ?"""
Il est facile d' essayer pour savoir exactement ce qui se passe ... nul besoin de se plonger dans le circuit pour cela
Un "Service Manual" contient l' essentiel de l' étude du circuit, généralement le pourquoi du comment, une part des résolutions des problèmes les plus courants , ainsi que le schéma complet et détaillé.
"""Sur l’appareil (et sur le mode d’emploi), on voit inscrit sous les cavaliers que l’on peut ajouter un appareil de réverbération, cela veut-il dire que ce in/out ne peut pas servir pour séparer le préampli de l’ampli ?"""
Il est facile d' essayer pour savoir exactement ce qui se passe ... nul besoin de se plonger dans le circuit pour cela
Jean
- chartz
- Membre no life
- Messages : 3402
- Enregistré le : jeu. 28 févr. 2013 15:32
- Localisation : Bresse bourguignonne
Re: The Fisher 400
Edith,
Je te montrais juste que le volume se situe bien après le cavalier, et que tu ne pourrais t'en servir que dans le cas où tu voudrais le brancher sur un ampli qui a son propre réglage de volume, uniquement.
Je te montrais juste que le volume se situe bien après le cavalier, et que tu ne pourrais t'en servir que dans le cas où tu voudrais le brancher sur un ampli qui a son propre réglage de volume, uniquement.
Jacques
"If it is broke then fix it!" (Proverbe écossais)
"If it is broke then fix it!" (Proverbe écossais)
- Edith
- Membre honoraire
- Messages : 494
- Enregistré le : mer. 13 mars 2013 16:31
- Localisation : Poitou
Re: The Fisher 400
hélas, c'est bien plus difficile de réparer les dégâts quand on a fait la grosse bouletteHeifetz a écrit : Il est facile d' essayer pour savoir exactement ce qui se passe ...
Un aspect surprenant sur mon appareil, il n'y a très peu de différence de volume (gain?) avec l'entrée phono et un cd sur l'entrée aux., est-ce une très bonne entré phono ou le vendeur a-t-il pu régler les niveaux ?
-
Dadatimi
- Membre V.I.P
- Messages : 6034
- Enregistré le : lun. 9 nov. 2009 20:21
Re: The Fisher 400
Il y a phono high et phono low ... il faut utiliser 'low' pour les céllules magnétiques
L'entrée haut niveau est pour les céllules céramiques.
- Edith
- Membre honoraire
- Messages : 494
- Enregistré le : mer. 13 mars 2013 16:31
- Localisation : Poitou
Re: The Fisher 400
La platine est bien sur low, c'est une Dual ULM avec une cellule ortofon DN 155E, du basique qui tourne bien.
- Olorin
- Membre no life
- Messages : 2418
- Enregistré le : mer. 2 déc. 2009 09:21
- Localisation : Somewhere over the rain-beau
Re: The Fisher 400
Je suis bien placé pour confirmer tes diresEdith a écrit :hélas, c'est bien plus difficile de réparer les dégâts quand on a fait la grosse bouletteHeifetz a écrit : Il est facile d' essayer pour savoir exactement ce qui se passe ...![]()
J'ai exactement la même chose sur mon ampli (qui n'est pas Alsacien, mais Belge), car j'ai un diviseur de tension à l'entrée phono. Peut-être aurais-tu la même chose sur le tient?Edith a écrit :Un aspect surprenant sur mon appareil, il n'y a très peu de différence de volume (gain?) avec l'entrée phono et un cd sur l'entrée aux., est-ce une très bonne entré phono ou le vendeur a-t-il pu régler les niveaux ?
La qualité n'arrive jamais par accident!
- Edith
- Membre honoraire
- Messages : 494
- Enregistré le : mer. 13 mars 2013 16:31
- Localisation : Poitou
Re: The Fisher 400
Un Fischer remis en forme par THE CAPITAINE (qui, le pauvre était atteint alors d’une schcoumoune tenace avec les tubes, j’espère que ça va mieux).
Mon pro américain avait fait un mensonge par omission : tubes testés, oui, mais pas tubes « testés OK », après les mesures Thierry me dit «l'appareil développe 9watts d'un côté et moins de 5 watts de l'autre avec une très forte distorsion du fait de l'état de ces tubes.» et voilà donc l’appareil équipé de 4 tubes 7868 EH neufs pour son plus grand bonheur. Le trouvant très bon avant le changement, je salivai déjà à l’idée de l’écouter à son top. Tout a été remis en place, façade, boutons et roue d’entraînement pour le tuner,
Retour et première écoute, des basses trop lourdingues, mince, serait-ce les nouveaux tubes ? non, c’est le bouton loudness, il n’était pourtant qu’à moins de 2 mm de la position out, qui s’enclenchait sur IN. Du coup l’hypothèse de Thierry, qui pensait que le craquement dans les enceintes venait d’une mauvaise position du bouton enceintes OFF, se confirme, mes interrupteurs sont plus que sensibles.
A l’usage, une joie sans mélange, finesse et détail, on a parfois l’impression qu’il y a un ampli dédié à chaque instrument, aucune impression de lourdeur, avec un solo de batterie, l’attaque est bien nette pour chaque élément. Pour l’instant il n’est pas associé avec du haut de gamme, une Toschiba cellule Shure et cd Philips 713 avec des enceintes Pioneer cs88 , mais que ne serait-il pas capable de transcender..
Sa qualité essentielle, un seul mot : le swing, difficile à expliquer, relief, accent tonique ?
et pour les amoureux du vintage, le parement en fausse brique !
