McIntosh MC2205

"Solid State" uniquement
Répondre
Marantzfr

Re: McIntosh MC2205

Message par Marantzfr »

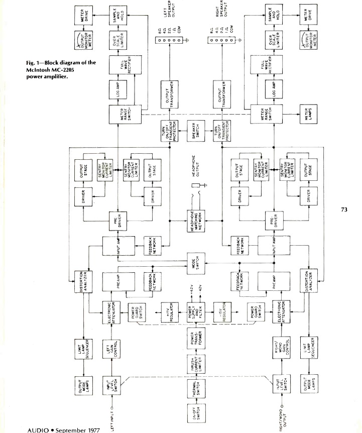
Banc d'essai " Audio Septembre 1977 "
1.jpg
1.jpg (280.73 Kio) Vu 5525 fois
2.jpg
2.jpg (180.94 Kio) Vu 5525 fois
3.jpg
3.jpg (134.6 Kio) Vu 5525 fois
4.jpg
4.jpg (238.26 Kio) Vu 5525 fois
5.jpg
5.jpg (116.4 Kio) Vu 5525 fois
6.jpg
6.jpg (261.89 Kio) Vu 5525 fois
Répondre
  • Sujets similaires
    Réponses
    Vues
    Dernier message