
Suite et fin de la restauration de cet ampli.
Recapage complet des cartes,le condensateur principal et les deux de sortie étant dans les specs restent en place.
Les cartes pré-amp et ampli reconditionnées.
![P1250461 [800x600].JPG](./download/file.php?id=88254&sid=6f9fa08ddec71638cfe8caf6c3a2a0f1)
- P1250461 [800x600].JPG (151.45 Kio) Vu 9666 fois
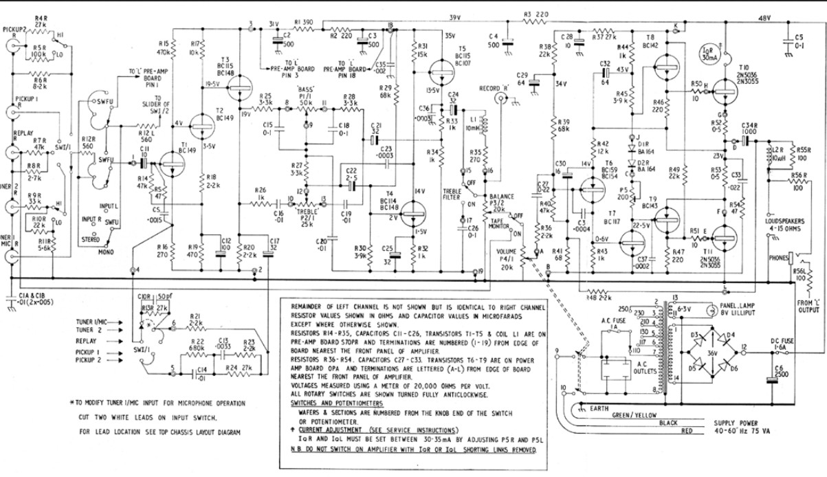
A l'écoute un canal était plus faible et distordu,la permutation des cartes pré-ampli permettant de trouver la coupable(en dessous),un petit suivi à l'oscillo signale le transistor T5 bc107.Un 2n222 le remplace avantageusement.
A noter sur l'autre carte un bc109 remplace déja un bc148 en T3
![P1250467 [800x600].JPG](./download/file.php?id=88255&sid=6f9fa08ddec71638cfe8caf6c3a2a0f1)
- P1250467 [800x600].JPG (113.15 Kio) Vu 9666 fois
![P1250465 [800x600].JPG](./download/file.php?id=88258&sid=6f9fa08ddec71638cfe8caf6c3a2a0f1)
- P1250465 [800x600].JPG (113.02 Kio) Vu 9666 fois
Les autres capas de filtrage 500µf passées à 680µ sont à l'aise.....
![P1250460 [800x600].JPG](./download/file.php?id=88259&sid=6f9fa08ddec71638cfe8caf6c3a2a0f1)
- P1250460 [800x600].JPG (129.45 Kio) Vu 9666 fois
L'ensemble remonté et re-capoté
![P1250468 [800x600].JPG](./download/file.php?id=88260&sid=6f9fa08ddec71638cfe8caf6c3a2a0f1)
- P1250468 [800x600].JPG (147.1 Kio) Vu 9666 fois
![P1250473 [800x600].JPG](./download/file.php?id=88261&sid=6f9fa08ddec71638cfe8caf6c3a2a0f1)
- P1250473 [800x600].JPG (100.9 Kio) Vu 9666 fois
Les boutons,et alors.....
Petit ampli par la puissance(2x15w),composants largement sur-dimensionnés (équiv. 2n3055...) mais attachant,petit effet physio agréable,naturellement chantant.
Surtout accessibilité remarquable,cartes enfichables,circuit aéré, vérifier la version car plusieurs schémas suivant les époques.
Encore merci à Hervé et bonne continuation à Claude (Gert F.),il le vaut bien ce british.....

- Delta 30.jpg (211.24 Kio) Vu 9666 fois