Le forum Audiovintage est privé.
En tant qu'invité, vous avez accès à certaines rubriques uniquement, l'ajout de nouveaux membres n'est pas possible pour le moment.
En tant qu'invité, vous avez accès à certaines rubriques uniquement, l'ajout de nouveaux membres n'est pas possible pour le moment.
Harman Kardon HK 505
- davidmillion
- Membre spécial
- Messages : 65
- Enregistré le : lun. 3 oct. 2011 19:45
- Localisation : 31110 bagnère de luchon
Harman Kardon HK 505
Bonsoir à tous . je vous présente le harman kardon 505 , datant de 1978 et ayant une puissance de 2 fois 60 watts rms .
- davidmillion
- Membre spécial
- Messages : 65
- Enregistré le : lun. 3 oct. 2011 19:45
- Localisation : 31110 bagnère de luchon
Re: harman kardon hk 505
Sa face avant avec commande de tonalités débrayable , 2 fréquences de coupure possible ,150hz et 500hz pour le grave , 2,5 khz et 6 khz pour l'aigus.
- davidmillion
- Membre spécial
- Messages : 65
- Enregistré le : lun. 3 oct. 2011 19:45
- Localisation : 31110 bagnère de luchon
Re: harman kardon hk 505
Sa face arrière avec les classiques RCA. A noter 2 prises auxilliaire , rca préamplis et rca amplis et une fiche din , à quoi peut elle servir ?
- davidmillion
- Membre spécial
- Messages : 65
- Enregistré le : lun. 3 oct. 2011 19:45
- Localisation : 31110 bagnère de luchon
Re: harman kardon hk 505
Le transformateur et les 4 capacités de filtrage sont de belle facture laissant présager une bonne réserve de puissance .
- davidmillion
- Membre spécial
- Messages : 65
- Enregistré le : lun. 3 oct. 2011 19:45
- Localisation : 31110 bagnère de luchon
Re: harman kardon hk 505
oh les beaux transistors !
- davidmillion
- Membre spécial
- Messages : 65
- Enregistré le : lun. 3 oct. 2011 19:45
- Localisation : 31110 bagnère de luchon
Re: harman kardon hk 505
L' écoute me direz vous ? à vue d'oreilles plus sombre que le 2238 médium moins chaleureux du moins avec mes technics sb 5000 .
- Modératube
- Super Modérateur
- Messages : 3010
- Enregistré le : lun. 9 nov. 2009 21:09
- Localisation : France
- phil du 95
- Membre extraterrestre
- Messages : 15169
- Enregistré le : dim. 20 déc. 2009 18:33
- Localisation : Nord est du Val d'Oise,proche de l'Oise et de la Corrèze parfois !
Re: Harman Kardon HK 505
Implantation bien symétrique ,j'aime bien !
- davidmillion
- Membre spécial
- Messages : 65
- Enregistré le : lun. 3 oct. 2011 19:45
- Localisation : 31110 bagnère de luchon
Re: Harman Kardon HK 505
moi aussi j'aime bien . il chauffe un peu je trouve .
- Frederic
- Super membre
- Messages : 575
- Enregistré le : lun. 19 déc. 2011 10:39
- Localisation : Bouches-Du-Rhone (13)
- Contact :
Re: Harman Kardon HK 505
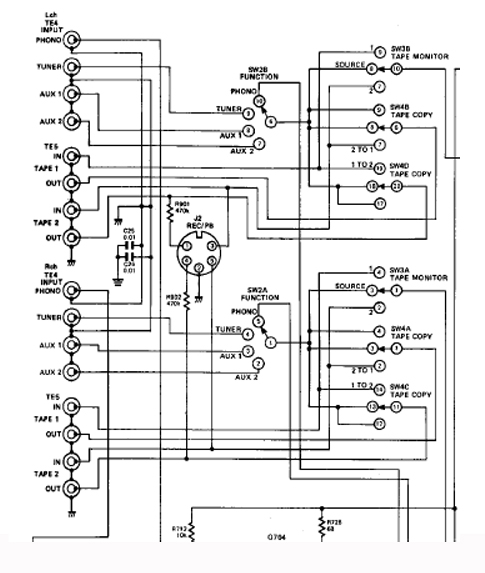
La prise DIN elle sert au branchement d'un lecteur/Enregistreur de K7 qui n'aurait pas le format RCA.
Sur le schéma on voit bien qu'elle est branchée sur le TAPE 2 en parallèle.
Sur le schéma on voit bien qu'elle est branchée sur le TAPE 2 en parallèle.
-
- Sujets similaires
- Réponses
- Vues
- Dernier message
-
- 2 Réponses
- 18347 Vues
-
Dernier message par Bloomdido
