Ampli Perspective A1 : restauration

"Solid State" uniquement
Répondre
Avatar du membre
chartz
Membre no life
Messages : 3402
Enregistré le : jeu. 28 févr. 2013 15:32
Localisation : Bresse bourguignonne

Ampli Perspective A1 : restauration

Message par chartz »

Bonjour,

J'ai ce matin reçu le colis de notre ami Dylanjumpman. Youpi !
A1-1.JPG
A1-1.JPG (452.76 Kio) Vu 6908 fois
Première constatation à l'ouverture, c'est un peu la cata, quelqu'un s'est improvisé dépanneur sans rien y entendre. Les soudures ne sont pas bien jolies, et tous les transistors drivers et puissance sont HS (et pas d'origine). Une vraie boucherie. Heureusement, le concepteur répond à mes emails !

On a gratté le bidule noir à droite pour voir ce qu'il y avait dedans, vu qu'il n'y a rien marqué dessus...
A1-2.JPG
A1-2.JPG (324.52 Kio) Vu 6908 fois
Euh, c'est quoi cette résistance fantaisie (HS en plus) ?

Un transistor qui doit "marcher beaucoup moins bien" :
A1-3.JPG
A1-3.JPG (336 Kio) Vu 6908 fois
C'est quoi tout ce caca blanc ? On utilisera de la loctite à la place.
Modifié en dernier par chartz le ven. 6 févr. 2026 13:36, modifié 3 fois.
Jacques

"If it is broke then fix it!" (Proverbe écossais)
Avatar du membre
dylanjumpman
Membre no life
Messages : 2330
Enregistré le : sam. 1 janv. 2011 23:22
Localisation : 7-8 easy

Re: Perspective A1

Message par dylanjumpman »

:lol:

Bon courage 8-)

(j'ai déplacé le sujet dans le comptoir pour que notre ami Chartz puisse y accéder ;) )
Comment c'est loin...
Avatar du membre
chartz
Membre no life
Messages : 3402
Enregistré le : jeu. 28 févr. 2013 15:32
Localisation : Bresse bourguignonne

Re: Perspective A1

Message par chartz »

Bon. J'ai pu relever le schéma !
Il y a 13 transistors, dont quatre sont encapsulés dans les petits boîtiers noirs.
J'attends une réponse du Boss à qui j'ai demandé ce que ces petites choses renferment (à priori deux NPN pour l'un, deux PNP pour le second, branchés en cascade) car c'est grillé d'un côté.

Le circuit imprimé est joli, avec de bonnes grosses masses renforcées par du câble rigide de 2,5. En fait tout est câblé en rigide !
Jacques

"If it is broke then fix it!" (Proverbe écossais)
Avatar du membre
chartz
Membre no life
Messages : 3402
Enregistré le : jeu. 28 févr. 2013 15:32
Localisation : Bresse bourguignonne

Re: Perspective A1

Message par chartz »

J'ai eu... Une réponse !
Les transistors ne sont pas du tout ceux du schéma d'origine.
Donc j'ai deux options : remplacer à l'identique ce qui est HS ou tout remplacer selon les indications de M. Césari.
Exemple : Perspective a utilisé des MPSA06/56 alors que le schéma du proto utilisait des BC327/337.
En puissance, même topo, U à la place de BD...
Jacques

"If it is broke then fix it!" (Proverbe écossais)
Avatar du membre
chartz
Membre no life
Messages : 3402
Enregistré le : jeu. 28 févr. 2013 15:32
Localisation : Bresse bourguignonne

Re: Perspective A1

Message par chartz »

Le circuit "brut", avant nettoyage, tel que je l'ai eu. Comme tout est en fil rigide et commes les liaisons sont courtes, il faut tout dessouder. Pas glop.
A1-4.JPG
A1-4.JPG (404.75 Kio) Vu 6833 fois
Le même circuit, sans les composants défectueux.
A1-5.jpg
A1-5.jpg (155 Kio) Vu 6833 fois
Les semi-conducteurs en court-circuit franc.
A1-6.JPG
A1-6.JPG (234.2 Kio) Vu 6833 fois
Le boîtier noir mystère : exactement ce que je soupçonnais. À l'intérieur, deux MPSA06 en cascode (j'ai gratté un peu :lol: ).
A1-7.jpg
A1-7.jpg (306.85 Kio) Vu 6833 fois
cascode.jpeg
cascode.jpeg (1.07 Kio) Vu 6828 fois
Jacques

"If it is broke then fix it!" (Proverbe écossais)
Avatar du membre
chartz
Membre no life
Messages : 3402
Enregistré le : jeu. 28 févr. 2013 15:32
Localisation : Bresse bourguignonne

Re: Perspective A1

Message par chartz »

Liste de semi-conducteurs HS :

MPSA06 X6 (j'en ai déjà 4)

MPSA56 X4 à commander

MPSU07

MPSU57

BD317 edit : anachroniques, c'était les transistors de la première version.

BD318

Les pré-drivers ont dégagé sur un canal, le reste est bon en statique.

Sur l'autre canal, les pré-drivers, les drivers, la régulation thermique et les puissance ont tous dégagé [edit : une zener en CC, cause probable]. Les 8 transistors des différentiels d'entrée sont tous bons.
Modifié en dernier par chartz le ven. 18 juil. 2014 12:38, modifié 1 fois.
Jacques

"If it is broke then fix it!" (Proverbe écossais)
Avatar du membre
obelixlefou
Super membre
Messages : 871
Enregistré le : dim. 26 sept. 2010 14:25
Localisation : 18 le cher

Re: Perspective A1

Message par obelixlefou »

a suivre , sacré chantier tout de même , ce n'est pas une restauration mais une résurrection
"What does Marcelus Wallace look like?"

Marantz 1090, Thorens TD166 MkII, Yamaha CA-710 et CT-710, JVC QL A-5, Denon DCD 1400 , Fender Superchamp XD Alpage Al-300, Jm Lab Opal 19
Avatar du membre
chartz
Membre no life
Messages : 3402
Enregistré le : jeu. 28 févr. 2013 15:32
Localisation : Bresse bourguignonne

Re: Perspective A1

Message par chartz »

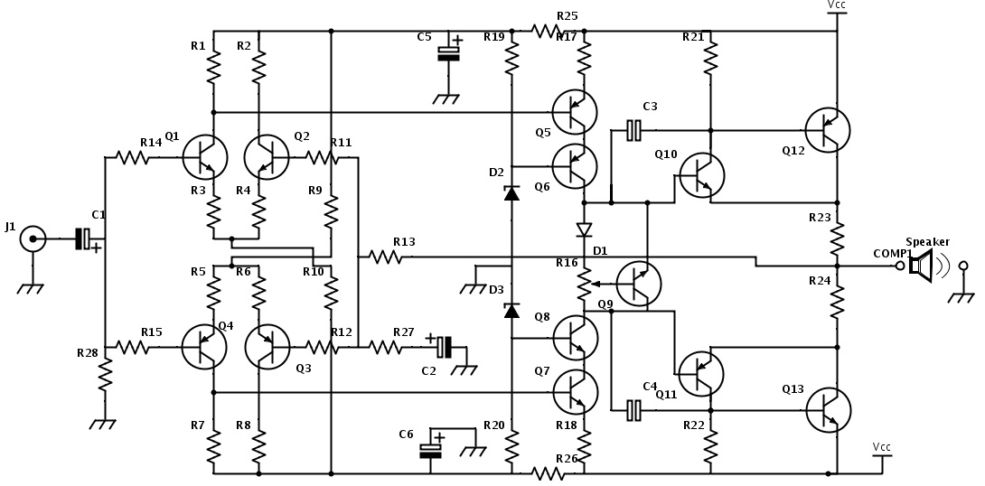
Voilà ce que j'ai relevé...

Plus facile de faire le CI avec le schéma que l'inverse... S'il y a des erreurs, dites-moi. :stop:

Q1-2-7-8-9 : MPSA06
Q3-4-5-6 : MPSA56
Q10 : MPSU07
Q11 :MPSU57
Q12 : MJ802
Q13 : MJ4502
Schéma A1.jpg
Schéma A1.jpg (112.31 Kio) Vu 6720 fois

Petite précision, M. Césari m'informe que les étages de sortie ont été modifiés par Perspective, avec une configuration bien différente.
Aussi, les capas anti-oscillation n'existaient pas dans le schéma d'origine (qui donc n'oscillait pas).
Modifié en dernier par chartz le sam. 19 juil. 2014 21:13, modifié 5 fois.
Avatar du membre
chartz
Membre no life
Messages : 3402
Enregistré le : jeu. 28 févr. 2013 15:32
Localisation : Bresse bourguignonne

Re: Perspective A1

Message par chartz »

Trouvé une des zéners 36V en CC sur l'étage qui a complètement cramé. Par mesure de sécurité, je vais changer les quatre.
Jacques

"If it is broke then fix it!" (Proverbe écossais)
Avatar du membre
dylanjumpman
Membre no life
Messages : 2330
Enregistré le : sam. 1 janv. 2011 23:22
Localisation : 7-8 easy

Re: Perspective A1

Message par dylanjumpman »

:cheer:
Comment c'est loin...
Répondre
  • Sujets similaires
    Réponses
    Vues
    Dernier message